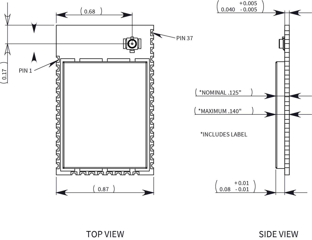
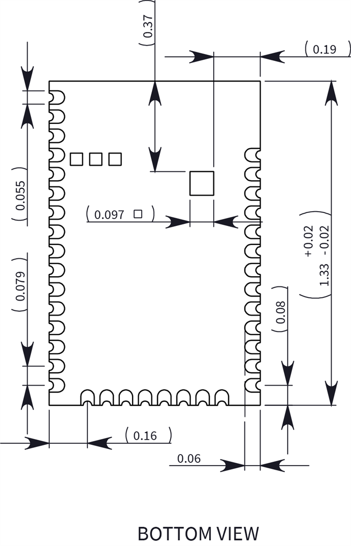
Mechanical drawings
The following images show the XTC mechanical drawings. The XTC has the same form factor as other Digi surface-mount (SMT) XBee devices, except there is an additional copper ground pad on the bottom.
WARNING! Never insert or remove the XBee device while the power is on!
PDF
